网站首页
医院概况
院务公开
就医指南
医疗特色
健康教育
政策法规
科研教学
党建天地
人才招聘
联系我们
您现在的位置:
首页
>
院务公开
>
通知公告
院务公开
医院动态
通知公告
预决算信息
“三公”经费
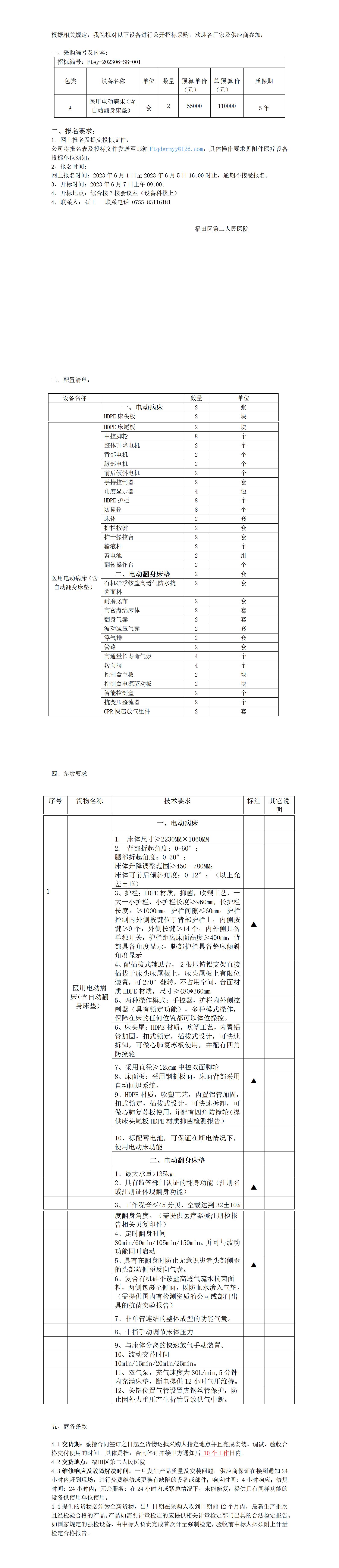
福田区第二人民医院重症医学科医用电动病床(含自动翻身床垫)采购公告
信息提供日期:2023-06-01 17:31
来源:福田区第二人民医院
字号:【
大
中
小
】
附件:
附件1.投标公司报名表.xls
附件2.福田区第二人民医院医疗设备投标单位须知(含招标文件).docx